Chống sét đường truyền - giải pháp bảo vệ thiết bị viễn thông
Để thiết bị viễn thông, công nghệ thông tin hoạt động ổn định và an toàn, mỗi công trình cần lắp đặt thiết bị chống sét đường truyền.

Chống sét đường truyền - giải pháp bảo vệ thiết bị viễn thông
Hiện tượng sét đánh gây nhiều nguy hiểm cho con người và các thiết bị trong công trình. Dòng sét có thể tàn phá mọi thứ trên đường đi của nó. Ngoài việc đánh trực tiếp, sét còn có thể lan truyền qua các mạng điện, đường truyền tín hiệu làm hư hỏng các thiết bị viễn thông. Việc lắp hệ thống chống sét đường truyền sẽ triệt tiêu xung điện áp trên đường truyền dữ liệu. Nhờ vậy, các thiết bị sẽ được bảo vệ an toàn, không lo bị hư hại khi có sét đánh lan truyền, hay xung điện quá áp xảy ra.
Chống sét đường truyền là gì?
Chống sét đường truyền là việc xây dựng hệ thống chống sét cho các thiết bị đường truyền. Mục đích nhằm giảm thiểu tối đa thiệt hại đến thiết bị đường truyền khi bị sét đánh hoặc sét lan truyền.
Sự phát triển vượt bậc của khoa học kỹ thuật kéo theo sự ra đời của hàng loạt thiết bị công nghệ thông tin, viễn thông. Những thiết bị này giúp cuộc sống con người tiện nghi hơn. Các thiết bị công nghệ thông tin, viễn thông như:
- Mạng WAN
- Mạng LAN
- Modem
- Tổng đài
- Camera an ninh,...
Ngày càng được sử dụng phổ biến. Thậm chí, đây là những thiết bị không thể thiếu trong hoạt động thương mại, sản xuất, công nghiệp,... Hầu hết mọi tòa nhà, văn phòng đều có gắn các thiết bị viễn thông, điện tử, công nghệ thông tin.
Tại sao cần chống sét đường truyền?
Các thiết bị này đều hoạt động với điện áp và dòng điện định mức nhất định. Nếu vượt quá sẽ dẫn đến hư hại. Khi có hiện tượng sét đánh, xung điện truyền theo dây dẫn với dòng điện cục bộ khổng lồ dễ phá hỏng các thiết bị nếu chúng không được bảo vệ bằng thiết bị chống sét đường truyền.
Các tia sét đánh lan truyền, xung điện quá áp đột biến có thể gây hư hỏng chúng, làm gián đoạn việc liên lạc. Thậm chí, thiệt hại khó lường có thể xảy ra nếu doanh nghiệp bị gián đoạn công việc, sản xuất, kinh doanh khi đường truyền tín hiệu bị hỏng.
Dòng sét, các xung quá áp đột biến có thể dẫn từ đường truyền viễn thông, đường nguồn điện, đường tín hiệu,... Do đó, bên cạnh việc lắp hệ thống chống sét cho nguồn điện, chúng ta cũng cần lắp đặt hệ thống bảo vệ cho các đường truyền tín hiệu, viễn thông. Việc chống sét đường truyền ngày càng trở nên cấp thiết và không thể thiếu cho mọi công trình. Hệ thống chống sét có thể bảo vệ các thiết bị khỏi các xung điện quá áp lan truyền trên đường kết nối.
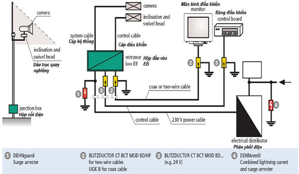
Các hình thức chống sét lan truyền đường tín hiệu

Hệ thống chống sét đường truyền giúp bảo vệ an toàn cho các thiết bị viễn thông, công nghệ.
Chống sét lan truyền cho đường tín hiệu được thiết kế rất nhiều phương án khác nhau. Việc này để đảm bảo phù hợp với nhiều loại thiết bị khác nhau, và để bảo vệ chúng một cách tốt nhất. Các phương án chống sét lan truyền đường tín hiệu được phân thành 4 loại cơ bản sau:
- Đường cáp đồng trục.
- Điều khiển, điện thoại.
- Thiết bị chống sét công nghiệp
- Chống sét mạng nội bộ (LAN)
Một số thiết bị chống sét đường truyền tốt nhất
Các sản phẩm chống sét đường truyền trong những năm gần đây được sử dụng rất phổ biến và rộng rãi. Đòi hỏi về tiêu chuẩn kỹ thuật của những sản phẩm này cũng rất cao. Có như vậy, chúng mới đảm bảo triệt tiêu xung điện quá áp tốt và bảo vệ an toàn tuyệt đối cho các thiết bị truyền tin.
Bạn nên lựa chọn các thiết bị, dòng sản phẩm có chất lượng cao, nguồn gốc rõ ràng từ nhà cung cấp uy tín. Chúng sẽ giúp bảo vệ tốt công trình, thiết bị khỏi thiệt hại gây ra bởi sét đánh lan truyền. Đồng thời, sản phẩm bắt buộc phải đáp ứng các tiêu chuẩn nhất định. Một số vật tư chống sét tốt nhất hiện nay:
- Kim thu sét Bakiral
- Hàn hóa nhiệt Goldweld
- Thiết bị cắt sét Otowa
- Cọc tiếp địa Ramratna
- Đồng hồ đo điện trở Vici
Ngoài ra, đội ngũ kỹ sư thiết kế, lắp đặt hệ thống chống sét phải có chuyên môn, giàu kinh nghiệm để bảo đảm hệ thống hoạt động hiệu quả.
Nên dùng hãng nào tốt?
Thương hiệu thiết bị chống sét lan truyền đường tín hiệu được đánh giá là chất lượng, tốt nhất hiện nay là Otowa (Nhật Bản). Otowa chiếm 90% phân khúc vật tư chống sét lan truyền tại Nhật. Điều này cũng khẳng định mức độ uy tín, sự chất lượng và đáng tin cậy của thương hiệu này tại đất nước mặt trời mọc, nơi khoa học kỹ thuật phát triển bậc nhất thế giới.
Otowa tiên phong trong việc nghiên cứu, ứng dụng các công nghệ chống sét hiện đại, giành được niềm tin của đông đảo người tiêu dùng, thậm chí là người dùng tại thị trường khó tính Nhật Bản. Dưới đây là một số thiết bị chống sét lan truyền được ưa chuộng của Otowa:
- Otowa SL-SPM180
- Otowa OLA-CLDRJ48
- Otowa SR-VTRS5
- Otowa CS-BNCJJ75-T230HD
Thiết bị chống sét đường truyền Otowa SL-SPM180

Thiết bị chống sét đường truyền Otowa SL-SPM180.
Otowa SL-SPM180 là sản phẩm chống sét phù hợp cho đường tín hiệu xung lan truyền 1,2/50µ và 8/20µ. Thiết bị này được thiết kế dành cho đường tín hiệu bảo vệ cấp 2.
Một số đặc điểm của Otowa SL-SPM180:
- Có thanh DIN dạng cài cắm tích hợp với đất.
- Dùng để lắp đặt trong nhà.
- Đạt tiêu chuẩn UL 497B, IEC 61643-21
- Cấp bảo vệ điện áp thấp, bảo vệ được thiết bị đầu cuối an toàn.
- Dòng xả xung sét đến 20kA (8/20μs).
- Nếu module bị tháo dỡ sẽ không kết nối tín hiệu.
- Mức độ bảo vệ cao cho một cặp cân bằng với cách ly điện.
Otowa OLA-CLDRJ48

OLA-CLDRJ48 dùng cho đường tín hiệu mạng LAN bảo vệ cấp 2.
OLA-CLDRJ48 phổ biến toàn thế giới cho cáp mạng công nghiệp, các ứng dụng liên quan trong xây dựng hệ thống cáp mạng tiêu chuẩn D lên đến 100MHz. Sản phẩm sử dụng phù hợp với đường tín hiệu mạng Lan bảo vệ cấp 2.
Một số điểm đặc trưng của OLA-CLDRJ48:
- Sản phẩm đạt tiêu chuẩn EN 61643-21, IEC 61643-21, UL 497B.
- Thiết bị lắp đặt phù hợp cho vùng chống sét ở ranh giới 0B-2 trở lên.
- Giúp bảo vệ tất cả các cặp bằng ống xả khí.
- Năng lượng quá dòng cáp mạng (PoE + theo tiêu chuẩn IEEE 802.3at).
- Thanh DIN 35mm đạt tiêu chuẩn EN 60715 giúp tiếp đất cho hệ thống.
Thiết bị chống sét Otowa SR-VTRS5

Otowa SR-VTRS5 dùng cho đường tín hiệu 4 đối dây bảo vệ cấp 2.
Otowa SR-VTRS5 được thiết kế dành cho đường tín hiệu 4 đối dây bảo vệ cấp 2. Đây là thiết bị có dòng xả sét cao, đạt tiêu chuẩn EN 61643-21, IEC 61643-21, UL 497B được sử dụng khá phổ biến.
Một số đặc trưng của thiết bị Otowa SR-VTRS5:
- Có dòng xả xung sét lên tới 8/20μs (20kA).
- Mức độ bảo vệ cao cho cặp cân bằng với cách ly điện.
- Đế gắn vào thanh DIN theo tiêu chuẩn EN 60715, có độ dài 35mm.
- Một khi module bị tháo dỡ sẽ không kết nối tín hiệu.
- Có khả năng bảo vệ thiết bị đầu cuối với cấp bảo vệ điện áp thấp.
Sản phẩm Otowa CS-BNCJJ75-T230HD

Otowa CS-BNCJJ75-T230HD có sẵn với các kết nối BNC, N, F.
Otowa CS-BNCJJ75-T230HD giúp cắt sét đường tín hiệu đồng trục bảo vệ cấp 2. Thiết bị có khả năng bảo vệ sự đột biến tăng tần số cao từ dây Anten trên không của BS, TV kỹ thuật số, đường dây phát sóng CS,...
Một số đặc điểm khác của thiết bị chống sét đường truyền Otowa CS-BNCJJ75-T230HD:
- Thiết bị có sẵn với các kết nối BNC, N, F.
- Độ bền sét phân loại theo chuẩn ICE: D1, C2, hiệu suất cao tần.
- Chỉ tiêu bảo vệ IP 20.
- Chế độ quá tải Mode 2.
Mua thiết bị chống sét ở đâu uy tín?
Hệ thống chống sét đường truyền là giải pháp an toàn cho thiết bị công nghệ, viễn thông của mọi công trình. Hãy chọn đơn vị cung cấp thiết bị, dịch vụ lắp đặt hệ thống chống sét uy tín để đảm bảo an toàn tuyệt đối cho thiết bị và công trình của bạn.
Công ty Kỹ thuật điện Hà Nội - LIGHTTECH tự hào là một trong những doanh nghiệp uy tín nhất trong lĩnh vực chống sét.
- Địa chỉ chi nhánh Hồ Chí Minh: Đường P4, KCN Vĩnh Lộc, quận Bình Tân, thành phố Hồ Chí Minh.
- Địa chỉ chi nhánh Hà Nội: KM 14, Quốc Lộ 1A, Ngọc Hồi, Thanh Trì, thành phố Hà Nội.
Điện thoại: 0978 600 005. Email: lighttechjsc@gmail.com
Liên hệ ngay với LIGHTTECH để được tư vấn tận tình nhất.
Tin tức xem nhiều
Tiêu Chuẩn Chống Sét Mới Nhất – TCVN 9385:2012 & Những Điểm Quan Trọng Bắt Buộc Phải Biết
Khoảng cách tối thiểu giữa 2 cọc tiếp địa là bao nhiêu?
Số lượng cọc tiếp địa trong hệ thống chống sét
* Cọc tiếp địa thép mạ đồng GOLDWELD là cọc làm từ thép mạ đồng chất lượng cao
* Xuất xứ: Việt Nam
* Quy cách đóng gói: 10 cái/ bó
* Ký hiệu nhà sản xuất: GOLDWELD (in dập trên thân cọc)...
